DTST-6, 6X6mm
DTST-6, 6X6mm
型號:DTST-6
DTST-6
6X6mm
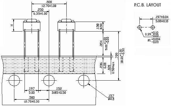
DTST-6 SERIES, 6X6mm tact switch, radial taping, mechanical contact, up to 50mA, 12VDC
加入詢問
6X6mm
DTST-6 SERIES, 6X6mm tact switch, radial taping, mechanical contact, up to 50mA, 12VDC
Feature
- Rating : 50mA,12VDC.
- Electrical life : 50,000 cycles for 260gf, 320gf, 520gf.
- Electrical life : 500,000 cycles for 70gf, 100gf, 160gf.
- Contact resistance : 100m ohm max.
- Insulation resistance : 100M ohm min. at 500VDC.
- Dielectric strength : 250VAC/1minute.
- Circuit : single pole, single throw
- Temperature range : -20 to + 85 degrees in Celsius
Specification
How to order

Item

.jpg)
