ML4, Ultra thin tact switch, with LED light
ML4, Ultra thin tact switch, with LED light
型號:ML4
ML4
Ultra thin tact switch, with LED light, height 2mm only, SMT mounting, Compact size 4.9x4.9mm
ML4 is not only very thin, but even built with LED light
Various LED color availabe
Tape and Reel packaging
Environment friendly as halogen free
Suitable for wide applications in panel control including Portable device, 3C Industry, Medical or Automobile Industry
加入詢問
Ultra thin tact switch, with LED light, height 2mm only, SMT mounting, Compact size 4.9x4.9mm
ML4 is not only very thin, but even built with LED light
Various LED color availabe
Tape and Reel packaging
Environment friendly as halogen free
Suitable for wide applications in panel control including Portable device, 3C Industry, Medical or Automobile Industry
Feature
- 50mA, 12VDC
- Initial contact resistance: 100mΩ max.
- Insulation resistance: 100MΩ min. (at 500VDC)
- Dielectric strength: 250VAC for 1 minute
- Operating force: 160g
- Operating life: 1,000,000 cycles
- Tact switch with LED available
- Operating temperature range: -40 ~ 85ºC
- Operating force: 160 ± 50g
- Function: push ON
- Tape & reel package
- Halogen free
Specification
How to order
/ML4-TREE(1).jpg)
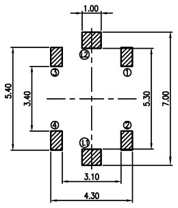
PCB layout
/MRL4-cut.jpg)
Item
/ML4-spec.jpg)
/Prod2016020100001.jpg)